



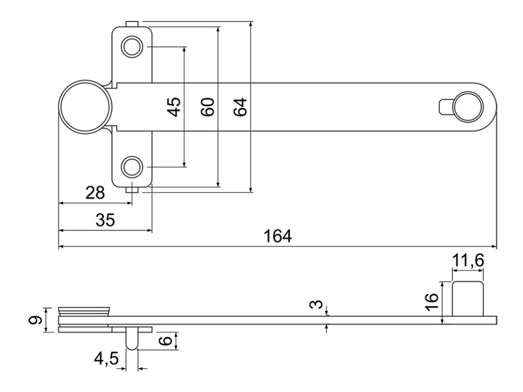
Brzda pro plastová okna
• Umožňuje aretaci okenního křídla (pomocí třecích podložek) do vybrané pozice (úhlu otevření).
• Žádné dodatečné pojistky, zarážky, atd...
• Při zavřeném křídle je brzda zcela skryta a není vidět.
• Použitelné pro klasické otevření i ventilaci.
• Minimální hloubka vnitřního falcu rámu 35 mm.
• Balení vč. 2 ks samořezných vrutů.
Hmotnost netto: 0,10 kg
Materiál: ocel
Povrch: bílý pozink
Doplňkové parametry
| Kategorie: | Okenní kování a uzamykatelné kliky |
|---|---|
| EAN: | 8592218053685 |
Diskuze
Buďte první, kdo napíše příspěvek k této položce.
Společnost vznikla v roce 2013 oddělením od zámkařské firmy Richter a stala se leaderem na trhu v oblasti necertifikovaných sejfů se základním zabezpečením. Mezi další produkty společnosti patří poštovní schránky, skřínky na klíče, klíčové depozity, kování a cylindrické vložky. Heslem společnosti je "Kvalita za rozumnou cenu".
Naše firma se zabývá kompletními službami spojenými s produkty Richter Czech - výrobou klíčů (Na naší prodejně Švábky 2, Praze 8), skládáním poštovních schránek do sestav, sjednocováním vložek, otevíráním sejfů i velkoobchodní distribucí.
| Výrobní společnost : | Richter Czech s.r.o. |
|---|---|
| Adresa : | Ve Žlíbku 1800/77, Hala B8 193 00 Praha 9 – Horní Počernice, Česká republika |
| E-mail : | velkoobchod@richterczech.cz |
.jpg)